piwik image

NOSHOK® 2070-MFS-ST NOS 2070-MFS-ST | Tipco Technologies

NOSHOK® 2070-MFS-ST

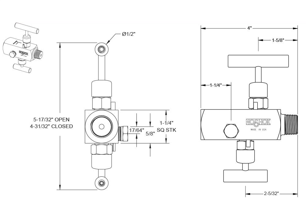
NOSHOK® 1/2 NPT, Male x Female, 316 SS, 2-Valve Block & Bleed, Hard Seat, 0.187" Orifice, Stainless Steel Tag

  • Manufacturers: NOSHOK
  • Brand Name: NOSHOK®
  • Tipco Part No: NOS 2070-MFS-ST
  • MPN: 2070-MFS-ST
  • Min. Order Qty: 1
  • Qty. Interval: 1
  • Register to see Availability

NOSHOK® 1/2 NPT, Male x Female, 316 SS, 2-Valve Block & Bleed, Hard Seat, 0.187" Orifice, Stainless Steel Tag

California residents see Prop 65 WARNINGS

Connection Size      :      1/2 in
Series      :      2070 Series Needle Valves
Connection Type      :      National Pipe Thread (NPT)